
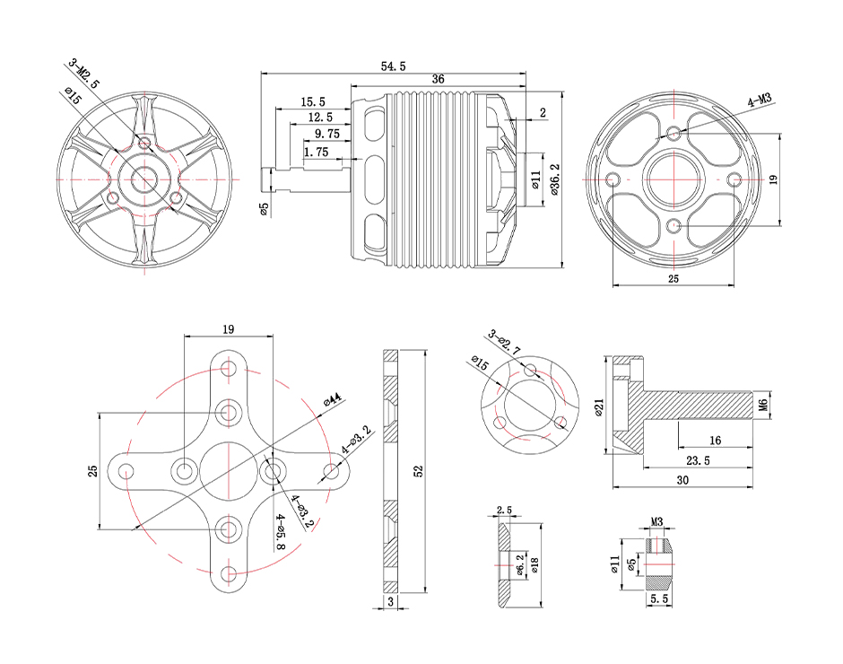
AS2814 is a motor specially designed for outdoor 20-30E 3D and F3A.The motor weight is 110g. It supports 3-4s batteries and has a maximum thrust of 2209g.
It is recommended to match T-HOBBY AT55A ESC + T-HOBBY 12*6/13*6.5-inch propeller
1 .Highly efficient and energy-saving, able to increase power output and maintain low energy consumption.
2. The motor passes strict testing and quality control to ensure durability and reliability under various working conditions
3. The weight of the welding wire is about 110g, which reduces the weight of the motor and improves flight performance and load capacity.
4. Compatible with other drone parts, convenient for installation, maintenance and replacement
1x T-HOBBY AS2814 Motor
1x Parts pack
Updating




| Test Item | Long Shaft KV900 | Weight (Incl. Cable) | 110g |
| Motor Dimensions | Φ36.2*54.5mm | Internal Resistance | 43.5mΩ |
| Lead | Enameled Wire 100mm | Configuration | 12N14P |
| Shaft Diameter | IN:5mm OUT:5mm | Rated Voltage(Lipo) | 3-4S |
| Idle Current(10V) | 1.35A | Peak Current(180s) | 37A |
| Max Power (180S) | 553W | Recommendation | / |
| Test Item | Long Shaft KV1050 | Weight (Incl. Cable) | 112g |
| Motor Dimensions | Φ36.2*54.5mm | Internal Resistance | 34.6mΩ |
| Lead | Enameled Wire 100mm | Configuration | 12N14P |
| Shaft Diameter | IN:5mm OUT:5mm | Rated Voltage(Lipo) | 3-4S |
| Idle Current(10V) | 1.35A | Peak Current(180s) | 49A |
| Max Power (180S) | 718W | Recommendation | / |
| Test Item | Long Shaft KV1200 | Weight (Incl. Cable) | 112g |
| Motor Dimensions | Φ36.2*54.5mm | Internal Resistance | 25.2mΩ |
| Lead | Enameled Wire 100mm | Configuration | 12N14P |
| Shaft Diameter | IN:5mm OUT:5mm | Rated Voltage(Lipo) | 3-4S |
| Idle Current(10V) | 2.21A | Peak Current(180s) | 61A |
| Max Power (180S) | 885W | Recommendation | / |
| Test Item | Long Shaft KV2000 | Weight (Incl. Cable) | 116g |
| Motor Dimensions | Φ36.2*54.5mm | Internal Resistance | 11mΩ |
| Lead | Enameled Wire 100mm | Configuration | 12N14P |
| Shaft Diameter | IN:5mm OUT:5mm | Rated Voltage(Lipo) | 2-3S |
| Idle Current(10V) | 4.5A | Peak Current(180s) | 42A |
| Max Power (180S) | 441W | Recommendation | / |
| Type | Propeller | Throttle | Voltage (V) | Current (A) | Power (W) | RPM | Torque (N*m) | Thrust (g) | Efficiency (g/W) | Operating (℃) |
| AS2814 Long Shaft KV900 | APC | 40% | 15.89 | 7.13 | 113.25 | 6653 | 0.114 | 696 | 6.14 | 83 (Ambient /) |
| 45% | 15.86 | 8.35 | 132.43 | 7015 | 0.129 | 780 | 5.89 | |||
| 50% | 15.83 | 9.70 | 153.52 | 7373 | 0.144 | 874 | 5.69 | |||
| 55% | 15.80 | 10.88 | 171.89 | 7660 | 0.157 | 949 | 5.52 | |||
| 60% | 15.77 | 12.54 | 197.71 | 7997 | 0.174 | 1052 | 5.32 | |||
| 65% | 15.73 | 14.52 | 228.35 | 8391 | 0.196 | 1165 | 5.10 | |||
| 70% | 15.68 | 16.47 | 258.28 | 8762 | 0.215 | 1284 | 4.97 | |||
| 75% | 15.61 | 19.34 | 301.94 | 9224 | 0.239 | 1424 | 4.72 | |||
| 80% | 15.54 | 22.28 | 346.32 | 9703 | 0.262 | 1558 | 4.50 | |||
| 90% | 15.37 | 29.93 | 459.95 | 10530 | 0.320 | 1882 | 4.09 | |||
| 100% | 15.30 | 32.72 | 500.58 | 10763 | 0.341 | 1989 | 3.97 | |||
APC | 40% | 15.89 | 7.35 | 116.83 | 6422 | 0.125 | 753 | 6.44 | 93 (Ambient /) | |
| 45% | 15.86 | 8.66 | 137.43 | 6774 | 0.141 | 850 | 6.19 | |||
| 50% | 15.82 | 10.10 | 159.86 | 7151 | 0.157 | 945 | 5.91 | |||
| 55% | 15.79 | 11.64 | 183.84 | 7496 | 0.173 | 1039 | 5.65 | |||
| 60% | 15.74 | 13.45 | 211.72 | 7817 | 0.195 | 1109 | 5.24 | |||
| 65% | 15.68 | 16.24 | 254.67 | 8188 | 0.229 | 1213 | 4.76 | |||
| 70% | 15.63 | 18.60 | 290.72 | 8585 | 0.252 | 1396 | 4.80 | |||
| 75% | 15.56 | 21.56 | 335.42 | 9015 | 0.278 | 1592 | 4.74 | |||
| 80% | 15.48 | 25.08 | 388.07 | 9464 | 0.306 | 1766 | 4.55 | |||
| 90% | 15.28 | 33.34 | 509.61 | 10233 | 0.370 | 2103 | 4.13 | |||
| 100% | 15.21 | 36.34 | 552.95 | 10448 | 0.389 | 2209 | 3.99 | |||
| APC 12*6 | 40% | 11.88 | 5.35 | 63.50 | 4549 | 0.092 | 523 | 8.24 | 69 (Ambient /) | |
| 45% | 11.86 | 6.35 | 75.24 | 4866 | 0.103 | 596 | 7.92 | |||
| 50% | 11.83 | 7.44 | 88.00 | 5152 | 0.116 | 667 | 7.57 | |||
| 55% | 11.81 | 8.52 | 100.64 | 5425 | 0.127 | 738 | 7.34 | |||
| 60% | 11.78 | 9.72 | 114.57 | 5692 | 0.138 | 804 | 7.02 | |||
| 65% | 11.74 | 11.59 | 136.03 | 6042 | 0.159 | 918 | 6.75 | |||
| 70% | 11.68 | 13.97 | 163.22 | 6395 | 0.183 | 1060 | 6.49 | |||
| 75% | 11.63 | 16.19 | 188.28 | 6730 | 0.203 | 1172 | 6.23 | |||
| 80% | 11.57 | 18.79 | 217.53 | 7064 | 0.225 | 1296 | 5.96 | |||
| 90% | 11.43 | 25.03 | 286.06 | 7682 | 0.274 | 1557 | 5.44 | |||
| 100% | 11.37 | 27.44 | 312.15 | 7887 | 0.293 | 1656 | 5.31 | |||
APC | 40% | 11.87 | 5.70 | 67.72 | 4127 | 0.106 | 561 | 8.28 | 82 (Ambient /) | |
| 45% | 11.85 | 6.73 | 79.74 | 4399 | 0.118 | 634 | 7.95 | |||
| 50% | 11.82 | 7.98 | 94.38 | 4690 | 0.134 | 714 | 7.57 | |||
| 55% | 11.78 | 9.77 | 115.14 | 5014 | 0.155 | 834 | 7.25 | |||
| 60% | 11.73 | 11.86 | 139.12 | 5369 | 0.179 | 959 | 6.89 | |||
| 65% | 11.68 | 14.31 | 167.12 | 5713 | 0.205 | 1101 | 6.59 | |||
| 70% | 11.61 | 17.19 | 199.57 | 6046 | 0.232 | 1245 | 6.24 | |||
| 75% | 11.55 | 19.99 | 230.78 | 6339 | 0.257 | 1376 | 5.96 | |||
| 80% | 11.47 | 23.05 | 264.46 | 6643 | 0.281 | 1499 | 5.67 | |||
| 90% | 11.31 | 30.26 | 342.33 | 7173 | 0.335 | 1781 | 5.20 | |||
| 100% | 11.25 | 33.08 | 372.13 | 7347 | 0.354 | 1885 | 5.06 | |||
| Note: Motor temperature is motor surface temperature at 100% throttle running 3mins. (Date above based on benchtest are for reference only, comparion with that of other motor types is not recommended.) | ||||||||||
| AS2814 Long Shaft KV1050 | APC | 40% | 15.79 | 9.66 | 152.52 | 7248 | 0.136 | 827 | 5.42 | 92 (Ambient /) |
| 45% | 15.76 | 11.48 | 180.90 | 7657 | 0.157 | 944 | 5.22 | |||
| 50% | 15.71 | 13.20 | 207.28 | 8033 | 0.172 | 1042 | 5.03 | |||
| 55% | 15.66 | 15.24 | 238.67 | 8345 | 0.195 | 1165 | 4.88 | |||
| 60% | 15.61 | 17.61 | 274.98 | 8747 | 0.216 | 1288 | 4.68 | |||
| 65% | 15.55 | 20.21 | 314.22 | 9142 | 0.237 | 1423 | 4.53 | |||
| 70% | 15.48 | 23.37 | 361.77 | 9605 | 0.263 | 1570 | 4.34 | |||
| 75% | 15.39 | 27.38 | 421.30 | 10064 | 0.297 | 1752 | 4.16 | |||
| 80% | 15.29 | 31.67 | 484.19 | 10506 | 0.326 | 1917 | 3.96 | |||
| 90% | 15.06 | 41.60 | 626.63 | 11362 | 0.385 | 2251 | 3.59 | |||
| 100% | 15.02 | 43.68 | 655.87 | 11446 | 0.399 | 2320 | 3.54 | |||
APC | 40% | 15.77 | 9.94 | 156.76 | 6967 | 0.150 | 899 | 5.73 | 79 (Ambient /) | |
| 45% | 15.72 | 11.83 | 185.92 | 7367 | 0.171 | 1019 | 5.48 | |||
| 50% | 15.68 | 13.73 | 215.24 | 7756 | 0.190 | 1108 | 5.15 | |||
| 55% | 15.62 | 16.37 | 255.58 | 8053 | 0.226 | 1174 | 4.59 | |||
| 60% | 15.56 | 19.09 | 296.92 | 8544 | 0.249 | 1359 | 4.58 | |||
| 65% | 15.49 | 22.02 | 341.14 | 8950 | 0.275 | 1542 | 4.52 | |||
| 70% | 15.40 | 25.78 | 397.04 | 9389 | 0.307 | 1742 | 4.39 | |||
| 75% | 15.31 | 29.80 | 456.05 | 9824 | 0.338 | 1907 | 4.18 | |||
| 80% | 15.19 | 34.88 | 529.96 | 10235 | 0.377 | 2106 | 3.97 | |||
| 90% | 14.94 | 46.36 | 692.40 | 10917 | 0.450 | 2454 | 3.54 | |||
| 100% | 14.89 | 48.22 | 718.16 | 11014 | 0.457 | 2474 | 3.44 | |||
| APC 12*6 | 40% | 11.86 | 7.18 | 85.10 | 4968 | 0.108 | 616 | 7.24 | 71 (Ambient /) | |
| 45% | 11.82 | 8.53 | 100.80 | 5308 | 0.123 | 701 | 6.96 | |||
| 50% | 11.79 | 9.88 | 116.43 | 5612 | 0.136 | 773 | 6.64 | |||
| 55% | 11.75 | 11.39 | 133.89 | 5880 | 0.152 | 871 | 6.51 | |||
| 60% | 11.71 | 13.45 | 157.51 | 6190 | 0.172 | 982 | 6.23 | |||
| 65% | 11.65 | 16.06 | 187.02 | 6545 | 0.196 | 1113 | 5.95 | |||
| 70% | 11.58 | 18.95 | 219.48 | 6932 | 0.220 | 1249 | 5.69 | |||
| 75% | 11.52 | 21.80 | 251.12 | 7273 | 0.242 | 1368 | 5.45 | |||
| 80% | 11.44 | 25.11 | 287.30 | 7617 | 0.268 | 1512 | 5.26 | |||
| 90% | 11.26 | 33.10 | 372.82 | 8217 | 0.325 | 1808 | 4.85 | |||
| 100% | 11.19 | 36.14 | 404.45 | 8443 | 0.344 | 1902 | 4.70 | |||
APC | 40% | 11.84 | 7.50 | 88.82 | 4448 | 0.124 | 655 | 7.37 | 85 (Ambient /) | |
| 45% | 11.81 | 9.04 | 106.73 | 4764 | 0.142 | 751 | 7.04 | |||
| 50% | 11.77 | 10.86 | 127.88 | 5105 | 0.162 | 859 | 6.72 | |||
| 55% | 11.71 | 13.39 | 156.73 | 5480 | 0.186 | 999 | 6.37 | |||
| 60% | 11.65 | 16.15 | 188.18 | 5843 | 0.213 | 1142 | 6.07 | |||
| 65% | 11.57 | 19.48 | 225.36 | 6186 | 0.243 | 1300 | 5.77 | |||
| 70% | 11.49 | 22.98 | 263.98 | 6524 | 0.271 | 1444 | 5.47 | |||
| 75% | 11.41 | 26.55 | 302.81 | 6809 | 0.299 | 1595 | 5.27 | |||
| 80% | 11.31 | 30.66 | 346.80 | 7101 | 0.328 | 1752 | 5.05 | |||
| 90% | 11.11 | 39.68 | 440.88 | 7625 | 0.388 | 2049 | 4.65 | |||
| 100% | 11.03 | 43.27 | 477.24 | 7746 | 0.410 | 2149 | 4.50 | |||
| Note: Motor temperature is motor surface temperature at 100% throttle running 3mins. (Date above based on benchtest are for reference only, comparion with that of other motor types is not recommended.) | ||||||||||
| AS2814 Long Shaft KV1200 | APC 9*6 | 40% | 15.75 | 11.65 | 183.57 | 8564 | 0.143 | 813 | 4.43 | 67 (Ambient /) |
| 45% | 15.72 | 13.66 | 214.74 | 9057 | 0.161 | 912 | 4.25 | |||
| 50% | 15.67 | 15.80 | 247.56 | 9540 | 0.177 | 1000 | 4.04 | |||
| 55% | 15.61 | 17.98 | 280.71 | 9920 | 0.194 | 1095 | 3.90 | |||
| 60% | 15.57 | 19.99 | 311.22 | 10256 | 0.213 | 1192 | 3.83 | |||
| 65% | 15.51 | 22.53 | 349.45 | 10675 | 0.233 | 1296 | 3.71 | |||
| 70% | 15.44 | 25.57 | 394.73 | 11135 | 0.256 | 1406 | 3.56 | |||
| 75% | 15.34 | 29.71 | 455.79 | 11680 | 0.286 | 1543 | 3.39 | |||
| 80% | 15.24 | 34.35 | 523.32 | 12192 | 0.314 | 1673 | 3.20 | |||
| 90% | 14.98 | 45.75 | 685.48 | 13130 | 0.383 | 1941 | 2.83 | |||
| 100% | 14.88 | 50.25 | 747.73 | 13436 | 0.405 | 2013 | 2.69 | |||
APC | 40% | 15.73 | 12.59 | 197.98 | 7826 | 0.162 | 977 | 4.94 | 56 (Ambient /) | |
| 45% | 15.68 | 15.06 | 236.11 | 8247 | 0.186 | 1116 | 4.73 | |||
| 50% | 15.61 | 17.78 | 277.52 | 8701 | 0.211 | 1253 | 4.51 | |||
| 55% | 15.56 | 20.61 | 320.61 | 9139 | 0.232 | 1381 | 4.31 | |||
| 60% | 15.47 | 24.03 | 371.71 | 9575 | 0.258 | 1532 | 4.12 | |||
| 65% | 15.39 | 27.41 | 421.86 | 9939 | 0.287 | 1685 | 3.99 | |||
| 70% | 15.28 | 32.08 | 490.17 | 10429 | 0.323 | 1880 | 3.84 | |||
| 75% | 15.17 | 36.95 | 560.55 | 10897 | 0.353 | 2057 | 3.67 | |||
| 80% | 15.05 | 42.23 | 635.73 | 11361 | 0.387 | 2241 | 3.52 | |||
| 90% | 14.76 | 55.60 | 820.51 | 12117 | 0.456 | 2583 | 3.15 | |||
| 100% | 14.64 | 60.43 | 884.95 | 12329 | 0.482 | 2683 | 3.03 | |||
APC | 40% | 11.81 | 8.81 | 103.99 | 6344 | 0.104 | 624 | 6.00 | 67 (Ambient /) | |
| 45% | 11.77 | 10.35 | 121.85 | 6700 | 0.117 | 706 | 5.79 | |||
| 50% | 11.74 | 11.97 | 140.54 | 7046 | 0.136 | 802 | 5.71 | |||
| 55% | 11.70 | 13.69 | 160.16 | 7362 | 0.151 | 888 | 5.54 | |||
| 60% | 11.66 | 15.40 | 179.50 | 7657 | 0.166 | 969 | 5.40 | |||
| 65% | 11.61 | 17.65 | 204.87 | 7992 | 0.185 | 1071 | 5.23 | |||
| 70% | 11.55 | 20.15 | 232.85 | 8355 | 0.202 | 1177 | 5.05 | |||
| 75% | 11.48 | 23.36 | 268.13 | 8751 | 0.226 | 1314 | 4.90 | |||
| 80% | 11.40 | 26.87 | 306.24 | 9187 | 0.247 | 1443 | 4.71 | |||
| 90% | 11.21 | 35.51 | 397.99 | 9963 | 0.298 | 1725 | 4.33 | |||
| 100% | 11.13 | 38.89 | 432.91 | 10206 | 0.316 | 1829 | 4.23 | |||
APC | 40% | 11.80 | 9.02 | 106.49 | 6134 | 0.114 | 682 | 6.40 | 56 (Ambient /) | |
| 45% | 11.76 | 10.62 | 124.89 | 6492 | 0.128 | 764 | 6.12 | |||
| 50% | 11.72 | 12.39 | 145.29 | 6829 | 0.144 | 853 | 5.87 | |||
| 55% | 11.68 | 14.16 | 165.50 | 7139 | 0.157 | 941 | 5.68 | |||
| 60% | 11.63 | 16.26 | 189.17 | 7458 | 0.174 | 1039 | 5.49 | |||
| 65% | 11.57 | 19.14 | 221.39 | 7853 | 0.200 | 1129 | 5.10 | |||
| 70% | 11.50 | 22.40 | 257.49 | 8145 | 0.225 | 1215 | 4.72 | |||
| 75% | 11.42 | 25.63 | 292.72 | 8588 | 0.248 | 1379 | 4.71 | |||
| 80% | 11.34 | 29.38 | 333.07 | 8983 | 0.271 | 1549 | 4.65 | |||
| 90% | 11.14 | 38.41 | 427.67 | 9704 | 0.322 | 1858 | 4.34 | |||
| 100% | 11.04 | 42.49 | 469.21 | 9924 | 0.342 | 1980 | 4.22 | |||
| Note: Motor temperature is motor surface temperature at 100% throttle running 3mins. (Date above based on benchtest are for reference only, comparion with that of other motor types is not recommended.) | ||||||||||
| AS2814 Long Shaft KV2000 | APC 9*6 | 40% | 11.11 | 12.42 | 138.00 | 14745 | 0.054 | 435 | 3.15 | 67 (Ambient /) |
| 45% | 11.03 | 13.52 | 149.04 | 15339 | 0.058 | 474 | 3.18 | |||
| 50% | 10.92 | 14.70 | 160.63 | 15815 | 0.062 | 505 | 3.15 | |||
| 55% | 10.84 | 15.77 | 170.94 | 16229 | 0.066 | 537 | 3.14 | |||
| 60% | 10.78 | 16.52 | 177.99 | 16544 | 0.068 | 563 | 3.16 | |||
| 65% | 10.72 | 17.31 | 185.55 | 16882 | 0.071 | 587 | 3.16 | |||
| 70% | 10.68 | 17.91 | 191.20 | 17234 | 0.073 | 625 | 3.27 | |||
| 75% | 10.66 | 18.58 | 198.12 | 17483 | 0.076 | 645 | 3.26 | |||
| 80% | 10.60 | 18.92 | 200.50 | 17671 | 0.077 | 652 | 3.25 | |||
| 90% | 10.45 | 20.77 | 217.00 | 18250 | 0.083 | 707 | 3.26 | |||
| 100% | 10.35 | 22.48 | 232.81 | 18840 | 0.088 | 744 | 3.20 | |||
APC | 40% | 10.79 | 16.08 | 173.52 | 11994 | 0.089 | 644 | 3.71 | 56 (Ambient /) | |
| 45% | 10.64 | 18.05 | 192.01 | 12482 | 0.096 | 703 | 3.66 | |||
| 50% | 10.56 | 20.11 | 212.31 | 12968 | 0.105 | 757 | 3.56 | |||
| 55% | 10.45 | 21.99 | 229.76 | 13337 | 0.113 | 808 | 3.52 | |||
| 60% | 10.34 | 23.84 | 246.61 | 13696 | 0.119 | 857 | 3.48 | |||
| 65% | 10.25 | 25.48 | 261.07 | 14009 | 0.127 | 902 | 3.45 | |||
| 70% | 10.16 | 26.99 | 274.13 | 14237 | 0.132 | 939 | 3.43 | |||
| 75% | 10.07 | 28.40 | 286.02 | 14477 | 0.137 | 975 | 3.41 | |||
| 80% | 10.00 | 29.78 | 297.91 | 14716 | 0.143 | 1009 | 3.39 | |||
| 90% | 9.86 | 37.06 | 365.30 | 15858 | 0.170 | 1182 | 3.24 | |||
| 100% | 9.87 | 41.63 | 410.77 | 16442 | 0.186 | 1279 | 3.11 | |||
| Note: Motor temperature is motor surface temperature at 100% throttle running 3mins. (Date above based on benchtest are for reference only, comparion with that of other motor types is not recommended.) | ||||||||||